CA-IS3212VCS

f_ico03.svg

工程送样

适用于 IGBT/SiC/GaN、高 CMTI、单通道增强隔离栅极驱动器

CA-IS3212 是一系列基于电容隔离的单通道栅极驱 动器,可用于驱动 MOSFET、IGBT、GaN、SiC MOSFET等功率器件。该驱动器具有出色的动态性能和高可靠性, 同时具有高达 4A/5A 峰值的拉/灌电流能力。

CA-IS3212 通过 SiO2 电容隔离技术实现控制侧与驱 动侧的电气隔离,支持 1.5kVRMS 的隔离工作电压、12.8 kVPK 浪涌抗扰度,额定工作电压下隔离栅寿命超过 40年,同时具有良好的器件一致性以及>150kV/μs 的共模 瞬态抗扰度 (CMTI)。

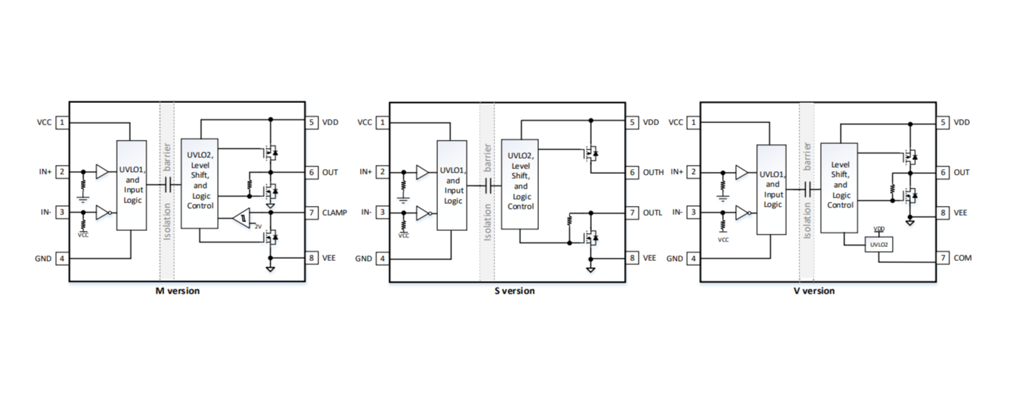
CA-IS3212 具有控制和驱动侧电源 UVLO 功能,同时 针对 SiC、GaN 和 IGBT 开关行为进行了优化,并提高了 可靠性。此外,CA-IS3212Mxx 内置 5A 峰值电流有源米 勒钳位;CA-IS3212Vxx 外置 COM 引脚,便于隔离驱动 侧正负电源供电;CA-IS3212Sxx 具有 OUTH 和 OUTL 分 离输出配置。 CA-IS3212 器件采用 8 引脚窄体 SOIC 封装或者宽体 SOIC 封装。所有器件的额定工作结温范围为 –40°C 至 +150°C。

package-soic8-s.png
  • 特性

    驱动高达 2121VPK 的 SiC MOSFET 和 IGBT

    4A/5A 峰值拉/灌驱动电流能力

    输入 CMOS 逻辑

    宽电源范围

    3.0V 至 5.5V 输入侧 VCC 电源范围
    高达 33V 的输出驱动电源(VDD – VEE),具有不同的 UVLO 选项:Y 版本:4V ;A 版本:6V ;B 版本:8V ;C 版本:12V

    输入引脚上 40ns(典型值)脉冲抑制功能

    85ns(典型值)传播延迟
    15ns(最大值)脉宽失真
    15ns(最大值)器件间延时匹配

    可选封装

    SOIC8-WB 宽体封装,爬电距离和电气间隙>8mm,5700VRMS 隔离耐压等级
    SOIC8 窄体封装,爬电距离和电气间隙>4mm,3750VRMS 隔离耐压等级

    高共模瞬态抗扰度

    >150kV/μs

    额定工作电压下隔离栅寿命大于40年

    工作结温(TJ)范围

    –40°C 至 150°C

  • 应用

    • 电机逆变器

    • 新能源车载充电器

    • 光伏逆变器

    • 储能变流器

    • 充电桩功率模块

    • 伺服驱动器

    • 变频器

    • UPS及工业电源等

  • 器件信息

    零件号封装封装尺寸(标称值)

    CA-IS3212XXS

    SOIC8(S)

    4.9mm x   3.9mm

    CA-IS3212XXGSOIC8-WB(G)5.85mm×7.50mm


  • 简化通道结构图

    3212框图.png