CA-IS3211VCG
量产
光耦兼容单通道隔离式栅极驱动器
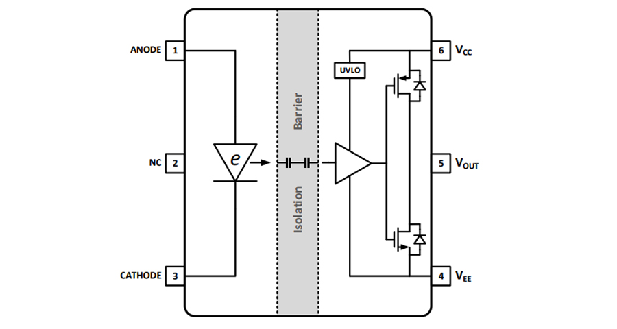
CA-IS3211是一款光耦兼容的单通道隔离式栅极驱动器, 可用于驱动MOSFET、IGBT和SiC器件。隔离等级达到 5.7kVRMS,芯片可提供5A拉、6A灌输出峰值电流能力。 高达30V的电源电压范围允许使用双极性电源来有效驱 动IGBT和SiC功率FET。该芯片的性能亮点包括:高共 模瞬态抗扰度(CMTI)、低传输延迟、低脉冲宽度失真。 严格的工艺控制使得芯片一致性较好。输入级是模拟二 极管,与传统的光耦隔离栅极驱动器的LED相比,具有 更好的长期可靠性和老化特性。高性能和高可靠性使得 该芯片适用于工业电源、光伏逆变器、车载充电器、直 流电机控制以及汽车空调与加热系统。CA-IS3211可以 驱动高压侧及低压侧的功率管,既能够完全兼容传统的 光耦栅极驱动器,又显著提高了驱动的性能。
-
特性
光耦输入的5.7 kVRMS单通道隔离式栅极驱动器
输出峰值电流:
5A拉 / 6A灌
最大30V输出驱动电源电压
8V (B) 或12V (C) VCC 欠压锁定阈值轨到轨输出
70 ns(典型值)传输延迟
25 ns(最大)部件对部件延迟匹配
35 ns(最大)脉冲宽度失真
150 kV/μs(最小)共模瞬态抗扰度(CMTI)
隔离栅寿命大于40年
输入级最高反向耐压7 V,并支持互锁
宽体SOIC6-WB/SOIC8-WB封装,气隙和爬电距离大于8.5 mm
工作结温范围TJ:
-40°C到150°C
-
应用
-
工业电机控制驱动器
-
工业不间断电源(UPS)
-
太阳能逆变器
-
充电桩
-
储能变流器
-
-
器件信息
P器件型号 封装 封装尺寸(标准值) CA-IS3211VBJ SOIC6-WB 4.68 mm x 7.5 mm CA-IS3211VCJ SOIC6-WB 4.68 mm x 7.5 mm CA-IS3211VBG SOIC8-WB 5.85 mm x 7.5 mm CA-IS3211VCG SOIC8-WB 5.85 mm x 7.5 mm CA-IS3211SBG SOIC8-WB 5.85 mm x 7.5 mm CA-IS3211SCG SOIC8-WB 5.85 mm x 7.5 mm CA-IS3211VBU DUB8 9.2 mm x 6.35 mm CA-IS3211VCU DUB8 9.2 mm x 6.35 mm -
简化通道结构图
-
技术文档
文档名称
文件种类
更新日期
-
文件种类: APPNOTE
更新日期: 2023.07.01
-
文件种类: 规格书
更新日期: 2023.03.23
-
文件种类: EVMUG
更新日期: 2023.01.15
-
文件种类: APPNOTE
更新日期: 2023.01.15
-
-
认证标准
认证名称
认证种类
认证编号
认证日期
-
认证种类: 可靠性
认证编号: CA-IS3211XXX_V1.1
认证日期: 2025.04.23
-
认证种类: VDE
认证编号: 40052786
认证日期: 2025.02.28
-
认证种类: VDE
认证编号: 40057278
认证日期: 2025.02.28
-
认证种类: TÜV-EN IEC 62368
认证编号: AK 50656801 0001
认证日期: 2024.12.26
-
认证种类: UL
认证编号: UL-US-L511334-11-71100202-9
认证日期: 2023.09.06
-
认证种类: CQC
认证编号: CQC24001434134
认证日期: 2024.06.06
-