-
2025.09.28
-
1884
【新品发布】yy易游微电子CA-IS2092A 超小型化、内置DC-DC转换器的隔离式RS-485收发器
yy易游微电子CA-IS2092A 超小型化、内置DC-DC转换器的隔离式RS-485收发器新品发布!
该产品结合了yy易游微电子隔离和接口产品线优势,具有行业创新意义,也是yy易游微电子发展为细分市场优质品牌的里程碑式产品。
01产品概述
CA-IS2092A为隔离型RS-485收发器,内部集成DC-DC转换器,省去了外部隔离电源。该系列产品提供较高的电气隔离并具有优异性能,以满足工业应用的需求。器件内部的逻辑输入与输出缓冲器之间通过二氧化硅(SiO2)绝缘栅隔离,能够承受高达2.5kVRMS(60s)的隔离电压以及±150kV/μs的典型CMTI。绝缘栅阻断了逻辑侧与总线侧的地环路,有助于降低端口间地电势差较高的噪声,确保数据的正确传输。

隔离DC-DC、信号隔离、RS-485 三合一
02产品特性
• 兼容RS-485 EIA/TIA-485标准并提供更高的性能指标
- 数据速率可达0.5Mbps
- 1/8单位负载,支持多达256个总线节点
- 3V至5.5V逻辑侧DC-DC供电范围(VDDP)
- 2.5V至5.5V逻辑侧RS-485供电范围(VDDL)
• 集成 DC-DC转换器为总线侧供电
- 3.3V/5.0V输出电压可选(VISO ≤ VDDP)
- 高度集成:内置变压器
- 软启动抑制输入浪涌电流
• 集成保护功能支持可靠的数据通信
- 提供2.5kVRMS (60s)隔离耐压
- ±150kV/μs典型CMTI
- 驱动器具有短路保护和热关断功能
- 优异的电磁兼容性(EMC)
- 较宽的工作温度范围:-40 °C至125 °C
• 4.65*5.2*1mm LGA16小型封装。

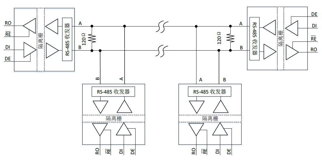
03典型应用
• 储能
• 工业自动化
• 光伏逆变器
• 电机驱动
04应用框图

yy易游微电子更多小型化三合一系列产品,敬请期待!包含带隔离电源的隔离式CAN收发器、带隔离电源的隔离式ADC、带隔离电源的隔离式SIC驱动器等系列产品!