-
2025.09.28
-
1476
【新品发布】yy易游微电子CA-IF1042LS/LVS-Q1 具有±42V故障保护的车规级CAN收发器
yy易游微电子CA-IF1042LS/LVS-Q1 具有±42V故障保护的 CAN 收发器新品发布!该产品实现了从晶圆生产到封装测试全国产化。
01产品概述
CA-IF1042LS/LVS-Q1 CAN收发器系列符合ISO11898-2(2016)高速CAN(控制器局域网络)物理层标准。所有器件均设计用于数据速率高达5Mbps(兆位每秒)的CAN FD网络。部件号包含“V”后缀的器件配有用于I/O电平转换的辅助电源输入(用于设置输入引脚阈值和RXD输出电平)。该系列器件具有低功耗待机模式及远程唤醒请求特性。此外,所有器件均包含多种保护功能,以提高器件和CAN网络的稳定性。
02产品特性
• 符合 ISO 11898-2:2016 和 ISO 11898-5:2007 物理层标准
• 所有器件均支持经典 CAN 和 5Mbps CAN FD(灵活数据速率)
• I/O 电压范围支持 3.3V 和 5V 微控制器 (MCU)
• 未上电时的理想无源特性
- 总线和逻辑引脚处于高阻态(无负载)
- 上电和掉电时总线和 RXD 输出上无毛刺脉冲
• 保护特性
- 总线故障保护:±42V
- VCC 和 VIO (仅限 CA-IF1042LVS-Q1)电源引脚上具有欠压保护
- 驱动器显性超时 (TXD DTO) – 最低数据速率低 至 4kbps
- 热关断保护 (TSD)
• 接收器共模输入电压:±30V
• 典型环回延迟:155ns
• 结温范围:-55°C 至 150°C
• 可提供 SOIC8 封装
03典型应用
• 汽车及交通运输行业
• 工业控制
• 建筑自动化
• 供热通风及空调系统(HVAC)
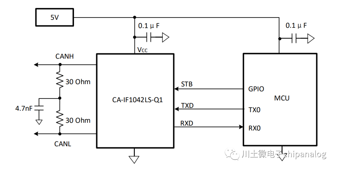
05应用图

CA-IF1042LS-Q1 CAN 总线典型应用图

CA-IF1042LVS-Q1 CAN 总线典型应用图